Как натянуть ремень генератора на ниве chevrolet

Как натянуть ремень генератора на ниве chevrolet

Натяжка ремня генератора на Ниве Шевроле напрямую влияет на стабильность зарядки аккумулятора и работу вспомогательных систем. Если ремень ослаблен, возможен свист при запуске двигателя, нестабильное напряжение и ускоренный износ. Перетянутый ремень вызывает повышенную нагрузку на подшипники генератора и может привести к его поломке.

Для корректной натяжки потребуется ключ на 13, вороток и удлинитель, а также доступ к нижней части моторного отсека. Регулировочный болт находится сзади генератора. Чтобы получить доступ, понадобится снять пластиковую защиту картера. При проверке натяжения следует ориентироваться на прогиб: при усилии около 10 кг ремень должен прогибаться на 8–10 мм между шкивами коленвала и генератора.

Важно: перед началом работ необходимо отключить минусовую клемму аккумулятора. При натяжке не следует использовать чрезмерное усилие – это не компенсирует изношенный ремень. Если на поверхности ремня видны трещины, расслоения или он издает шум даже при корректной натяжке, его следует заменить.

Регулярная проверка ремня генератора каждые 10 000 км пробега позволяет избежать неожиданных поломок в дороге и продлить ресурс генератора и шкивов. Лучше всего проводить регулировку при температуре окружающей среды от +10 до +25°C, чтобы избежать ошибок, связанных с термическим расширением материалов.

Как определить степень натяжения ремня без прибора

Как определить степень натяжения ремня без прибора

Проверь прогиб ремня на участке между шкивом генератора и шкивом коленвала. При усилии пальцем средней силы (примерно 10 кг) прогиб не должен превышать 10–12 мм. Если прогиб больше – ремень ослаблен, если меньше – перетянут.

Запусти двигатель и послушай работу генератора. Свист при ускорении или на холодную указывает на недостаточное натяжение. Постоянное гудение и подвывание – признак чрезмерного натяжения, что грозит износом подшипников.

Запусти двигатель и послушай работу генератора. Свист при ускорении или на холодную указывает на недостаточное натяжение. Постоянное гудение и подвывание – признак чрезмерного натяжения, что грозит износом подшипников.

После остановки двигателя проверь ремень на скручивание. Попробуй повернуть его вдоль оси. При нормальном натяжении он поворачивается не более чем на 90 градусов. Свободное вращение – сигнал о слабом натяжении, сильное сопротивление – о перетяжке.

Осмотри рабочую поверхность ремня. Если есть трещины, следы пробуксовки или полировка резины – ремень натянут неправильно. Повреждения указывают на необходимость замены и последующей корректной регулировки.

Пощупай температуру корпуса генератора после непродолжительной работы. Сильный нагрев может быть следствием перетянутого ремня, увеличивающего нагрузку на подшипники и обмотку.

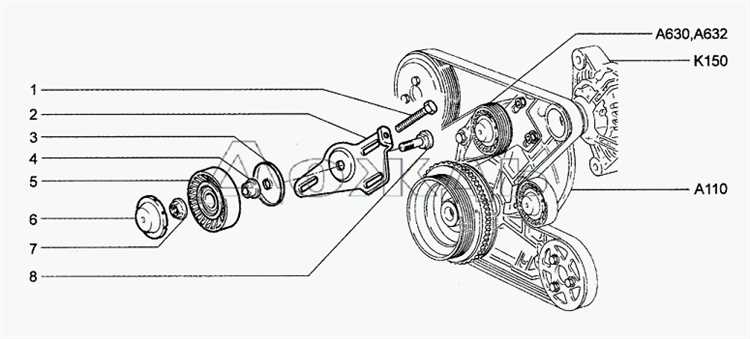
Что нужно снять для доступа к генератору на Ниве Шевроле

Что нужно снять для доступа к генератору на Ниве Шевроле

Для обеспечения полноценного доступа к генератору на Ниве Шевроле потребуется выполнить демонтаж нескольких элементов. Работы желательно проводить на холодном двигателе, предварительно отключив клемму аккумулятора.

  • Защита картера: открутите крепежные болты и аккуратно снимите металлический лист, если он установлен. Это обеспечит нижний доступ и обзор.
  • Воздушный фильтр и корпус: снимите патрубок, отсоедините разъемы датчиков и извлеките корпус фильтра в сборе. Это освободит пространство со стороны моторного отсека.
  • Правое колесо и подкрылок: демонтируйте переднее правое колесо и пластиковый подкрылок для доступа сбоку. Это особенно важно для ослабления и регулировки натяжителя ремня.
  • Ремень привода генератора: перед снятием генератора необходимо ослабить натяжение и демонтировать ремень, для чего потребуется доступ к натяжному болту и креплению генератора.
  • Разъем и клеммы генератора: отсоедините разъем проводки и силовой кабель с клеммы «B+», предварительно убедившись в отсутствии напряжения на проводах.

Все операции выполняются с использованием стандартного набора ключей и головок. После демонтажа указанных элементов можно приступать к работе с генератором – его осмотру, регулировке положения или замене.

Где находится регулировочный болт и как им пользоваться

Где находится регулировочный болт и как им пользоваться

Регулировочный болт на Ниве Шевроле расположен на кронштейне крепления генератора, с левой стороны двигателя по ходу движения автомобиля. Он находится в верхней части крепления и направлен горизонтально. Болт соединён с направляющей пластиной, по которой перемещается генератор при натяжении ремня.

Для доступа к регулировочному болту потребуется ключ на 13. Сначала ослабляется фиксирующий болт в нижней части генератора – он удерживает корпус в нужном положении. После этого регулировочным болтом управляют перемещением генератора: закручивание приближает генератор к двигателю, ослабляя натяжение, откручивание – отдаляет, увеличивая натяг ремня.

Оптимальное натяжение определяется при проверке прогиба ремня – он должен составлять 10–15 мм при нажатии пальцем в центральной части между шкивами. После достижения нужного натяжения фиксирующий болт затягивается, затем фиксируют регулировочный. Нарушение последовательности приведёт к смещению генератора и потере натяжения.

Как зафиксировать положение генератора после натяжки

Как зафиксировать положение генератора после натяжки

После достижения оптимального натяжения ремня генератора на Ниве Шевроле необходимо немедленно зафиксировать положение агрегата, чтобы исключить его смещение при работе двигателя.

Сначала, не ослабляя натяжение, затяните болт крепления генератора к регулировочной дуге. Используйте динамометрический ключ: усилие затяжки должно составлять 40–50 Н·м. Это предотвратит самопроизвольное ослабление соединения от вибраций.

Затем затяните нижний осевой болт, фиксирующий генератор к кронштейну. Усилие затяжки – 55–65 Н·м. Обязательно проверьте состояние шайб: изношенные элементы замените, чтобы сохранить плотность посадки.

После фиксации всех креплений повторно проверьте натяжение ремня. При нажатии с усилием около 10 кгс в центральной части пролета прогиб не должен превышать 10–15 мм. Если допуск превышен, ослабьте крепления и скорректируйте положение генератора.

Перед завершением работы визуально убедитесь в том, что все контактные поверхности прилегают без зазоров, а оси болтов не имеют люфтов. Только после этого можно запускать двигатель для проверки на шумы и посторонние вибрации.

Признаки перетянутого и слабо натянутого ремня

Признаки перетянутого и слабо натянутого ремня

Перетянутый ремень генератора на Ниве Шевроле вызывает повышенный шум от подшипников генератора, гура или помпы. Это связано с избыточной нагрузкой, которую создает слишком сильное натяжение. Характерен короткий гул, усиливающийся при увеличении оборотов. Визуально – ремень натянут как струна, при нажатии пальцем прогиб почти отсутствует.

Чрезмерное натяжение ускоряет износ подшипников и может привести к разрушению шкивов. При длительной эксплуатации возрастает риск заклинивания агрегатов.

Слабо натянутый ремень легко определить по характерному свисту при запуске двигателя или резком нажатии на газ. Шум усиливается в сырую погоду. При проверке – ремень имеет чрезмерный прогиб, более 15 мм при усилии около 10 кгс. При работающем двигателе возможно мигание лампы аккумулятора – генератор не дает нужного тока.

Оптимальное натяжение – прогиб около 10 мм при нагрузке пальцем в центральной части между шкивами. Ремень не должен проскальзывать, но и не должен создавать перегрузку на шкивы и подшипники.

Нужно ли менять ремень при каждом натяжении

Нужно ли менять ремень при каждом натяжении

Ремень генератора на Ниве Шевроле рассчитан на средний ресурс 50–70 тысяч километров пробега. Его не требуется менять при каждом натяжении, если визуально и технически он в хорошем состоянии. Основанием для замены служат трещины по бокам, расслоение, следы перегрева или стекловидный блеск по рабочей поверхности.

Если ремень приходится подтягивать чаще одного раза на 10–15 тысяч километров, стоит проверить выравнивание шкивов и состояние подшипников генератора и роликов. Увеличенная частота натяжек может указывать на износ или несоответствие длины ремня.

Проверка проводится на холодном двигателе. При правильной натяжке отклонение ремня при нажатии пальцем между шкивами должно составлять 10–15 мм. При меньшем прогибе повышается нагрузка на подшипники, при большем – возможен проскальзывание.

Если ремень растянулся до предела регулировки, его обязательно нужно заменить, даже при отсутствии видимых повреждений. Повторное натяжение в таких случаях не решает проблему и может привести к обрыву.

Вопрос-ответ:

Ссылка на основную публикацию