Как снять нож с газонокосилки al ko

Как снять нож с газонокосилки al ko

Замена или заточка ножа – важная часть ухода за газонокосилкой AL-KO. Со временем режущая кромка теряет остроту, а крепления могут покрываться коррозией. Неправильное снятие ножа чревато повреждением крепежных элементов или даже травмами. В этом руководстве подробно рассмотрен процесс демонтажа, включая меры безопасности и нюансы работы с разными моделями.

Перед началом работ убедитесь, что косилка полностью обесточена. Для электрических моделей это отключение от сети или снятие аккумулятора, для бензиновых – удаление свечи зажигания. Работать следует в перчатках, так как даже затупившийся нож может оставить порезы. Понадобятся гаечный ключ соответствующего размера (обычно 17 или 19 мм), деревянный брусок и проникающая смазка в случае закисших болтов.

Рассмотрим процесс поэтапно: от фиксации ножа до его аккуратного снятия без повреждения вала двигателя. Разберем распространенные ошибки и способы их устранения, а также дадим рекомендации по уходу за ножом перед установкой. Следуйте инструкции, чтобы сохранить надежность и долговечность вашей газонокосилки AL-KO.

Снятие ножа с газонокосилки AL-KO: пошаговое руководство

Снятие ножа с газонокосилки AL-KO: пошаговое руководство

Перед началом работы убедитесь, что газонокосилка отключена от электросети или топливо слито. Носите защитные перчатки.

1. Переверните газонокосилку на бок, чтобы обеспечить доступ к ножу. Сторона с воздушным фильтром должна быть сверху.

2. Для фиксации ножа используйте деревянный брусок, вставленный между лезвием и корпусом. Это предотвратит проворачивание.

3. Открутите центральный болт гаечным ключом подходящего размера (обычно 13 или 17 мм). Болт имеет стандартную правую резьбу – откручивается против часовой стрелки.

4. Снимите нож и запомните его расположение. При обратной установке режущая кромка должна быть направлена вперед по ходу движения.

5. Осмотрите посадочное место. Очистите его от грязи и остатков травы.

При установке нового ножа или заточке старого убедитесь в его балансировке. Закрепите нож, затянув болт с усилием, указанным в инструкции (обычно 40–60 Н·м).

Подготовка газонокосилки к снятию ножа: безопасность и инструменты

Подготовка газонокосилки к снятию ножа: безопасность и инструменты

Перед началом работ отключите газонокосилку от источника питания. Для бензиновых моделей извлеките свечу зажигания, а для электрических – отключите кабель от сети или снимите аккумулятор.

Выберите ровную поверхность, обеспечивающую устойчивость газонокосилки. Используйте деревянные бруски или упоры, чтобы предотвратить её случайное движение.

Подготовьте перчатки с защитой от порезов, так как лезвие может быть острым. Очки защитят от случайных осколков или грязи.

Инструменты: гаечный ключ нужного размера для откручивания центрального болта, деревянный брусок для фиксации ножа и проникающая смазка, если крепеж заржавел.

Перед откручиванием отметьте положение ножа, чтобы при установке не перепутать ориентацию. После этих шагов можно переходить к демонтажу.

Фиксация ножа для удобства откручивания

Фиксация ножа для удобства откручивания

Перед откручиванием болта необходимо зафиксировать нож, чтобы исключить его прокручивание. Надежный способ – использование деревянного бруска. Выберите кусок дерева длиной около 30-40 см и толщиной 4-5 см. Установите его между ножом и корпусом косилки так, чтобы при попытке провернуть болт нож упирался в брусок.

Если конструкция газонокосилки позволяет, можно зафиксировать нож с помощью зажима или струбцины. Надежно прижмите лезвие к раме устройства, избегая деформации. Такой метод особенно удобен при работе с затянутыми креплениями.

Некоторые модели AL-KO оснащены центральным фиксатором вала. Проверьте наличие отверстия под штифт или фиксатор. При наличии вставьте металлический стержень, чтобы заблокировать вал и упростить снятие.

При фиксации убедитесь, что газонокосилка отключена от питания (электрическая) или свеча зажигания отсоединена (бензиновая). Это исключит риск случайного запуска.

Как правильно открутить крепежный болт ножа

Как правильно открутить крепежный болт ножа

Перед началом работы отключите газонокосилку от питания. Если модель бензиновая, снимите свечной колпачок, а у аккумуляторной – извлеките батарею. Перекройте подачу топлива, чтобы избежать утечки при наклоне корпуса.

  • Переверните газонокосилку на бок так, чтобы карбюратор и топливный бак оказались сверху.
  • Заклиньте нож деревянным бруском, плотно прижав его к корпусу, чтобы предотвратить проворачивание.
  • Используйте торцевой ключ подходящего размера (обычно 13–19 мм). Гаечный ключ менее удобен, так как может сорваться.
  • Учтите, что резьба болта может быть обратной. Внимательно изучите маркировку на головке крепежа или уточните в инструкции.
  • Для закисшего болта используйте проникающую смазку. Нанесите, подождите 10–15 минут, затем попробуйте снова.
  • При необходимости воспользуйтесь рычагом – удлинителем на ключ. Избегайте чрезмерного усилия, чтобы не повредить резьбу.
  • После снятия болта внимательно осмотрите его резьбу. При износе замените крепеж.

Перед обратной установкой ножа очистите посадочное место от загрязнений. Убедитесь, что нож установлен правильно по направлению вращения.

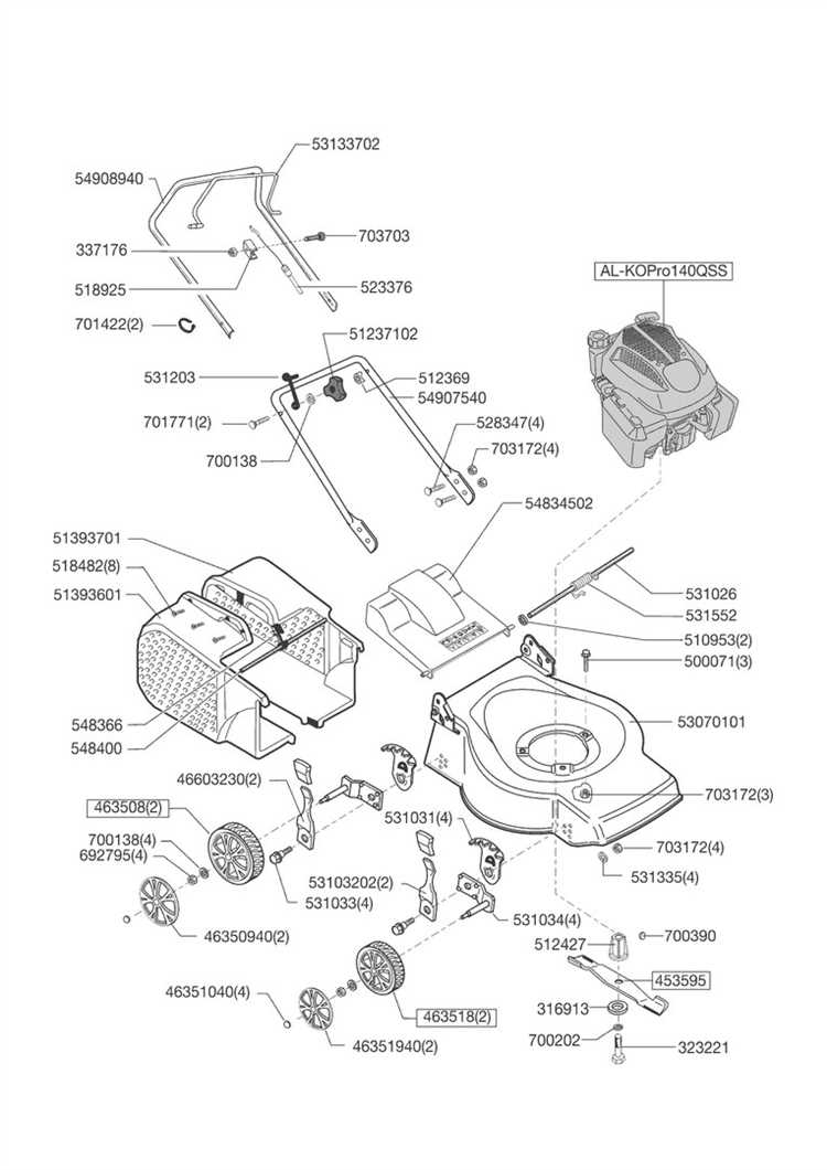
Снятие ножа и осмотр посадочного места

Снятие ножа и осмотр посадочного места

Перед снятием ножа отключите газонокосилку от питания и установите её на ровную поверхность. Для предотвращения проворачивания ножа зафиксируйте его деревянным бруском.

Используйте гаечный ключ, соответствующий размеру центрального болта. Как правило, болт имеет резьбу с обычным направлением (откручивается против часовой стрелки). Если резьба закисла, обработайте соединение проникающей смазкой и подождите несколько минут.

Снимите нож, удерживая его за центральную часть. Осмотрите посадочное место на наличие загрязнений, ржавчины и механических повреждений. Очистите поверхность металлической щёткой или ветошью, при необходимости обработайте антикоррозийным средством.

Проверьте вал двигателя и шпонку, если таковая имеется. Шпонка должна быть целой, без следов износа или смещения. Повреждённые детали подлежат замене.

Перед установкой нового или заточенного ножа убедитесь, что контактные поверхности чистые. Нож должен плотно прилегать к посадочному месту без зазоров. При затягивании болта придерживайтесь рекомендованного момента затяжки из инструкции, чтобы избежать перекоса или повреждения резьбы.

Обслуживание и хранение ножа перед установкой

Обслуживание и хранение ножа перед установкой

Перед установкой ножа газонокосилки AL-KO его необходимо тщательно осмотреть. Внимательно изучите кромки: наличие сколов, заусенцев или трещин требует заточки или замены. Очищайте нож от налипшей травы и коррозии металлической щеткой или мелкозернистой наждачной бумагой.

Для заточки используйте напильник или электроточило, выдерживая угол 30–40 градусов. Снятие слишком большого слоя металла снижает ресурс детали. Проверяйте балансировку ножа, подвесив его на гвозде через центральное отверстие. Если один конец перевешивает, снимите немного металла с более тяжелой стороны.

После заточки обработайте нож антикоррозийным средством или нанесите тонкий слой технического масла. Храните в сухом месте, исключая контакт с влагой. Для безопасности держите нож в защитном чехле или оберните плотной тканью.

Вопрос-ответ:

Как безопасно снять нож с газонокосилки AL-KO?

Перед началом работ убедитесь, что газонокосилка отключена от электросети (если электрическая) или заглушена и свеча зажигания отсоединена (если бензиновая). Переверните косилку на бок, положив ее на устойчивую поверхность. Для фиксации ножа используйте деревянный брусок или зажимной ключ. Открутите центральный болт с помощью гаечного ключа (обычно на 17 мм). После этого аккуратно снимите нож, запоминая его положение, чтобы при установке он был закреплен правильно.

Какие инструменты понадобятся для снятия ножа?

Вам потребуется гаечный ключ (чаще всего на 17 мм), деревянный брусок или фиксатор ножа для предотвращения проворачивания, а также перчатки для защиты рук. Если болт крепления сильно затянут или заржавел, может понадобиться проникающая смазка (например, WD-40) и металлическая щетка для очистки резьбы.

В каком направлении откручивать болт крепления ножа?

Болт крепления ножа на большинстве моделей газонокосилок AL-KO имеет правую резьбу, то есть откручивать его нужно против часовой стрелки. Однако перед разборкой стоит уточнить это в инструкции к вашей модели, так как некоторые газонокосилки могут использовать левую резьбу.

Как понять, что нож установлен правильно после замены?

При установке ножа важно сохранить его исходное положение. Режущие кромки должны быть направлены вперед по ходу движения газонокосилки. Если нож перевернут неправильно, косилка не сможет эффективно стричь траву. После закрепления болта рекомендуется вручную провернуть нож, чтобы убедиться, что он не задевает корпус. Затем затяните болт с нужным усилием и проведите тестовый запуск.

Ссылка на основную публикацию