Как слить воду с радиатора honda partner

Как слить воду с радиатора honda partner

Процесс слива воды с радиатора Honda Partner требует внимательности и точности, чтобы избежать повреждения системы охлаждения. Для этого важно соблюдать несколько ключевых шагов, которые гарантируют правильное удаление жидкости без риска для компонентов автомобиля. Вода в радиаторе используется временно для тестирования системы, и её нужно заменить на специальную охлаждающую жидкость с антифризом. Невыполнение этого шага может привести к перегреву двигателя и его поломке.

Первым этапом работы будет подготовка автомобиля: поставьте его на ровную поверхность, убедитесь в том, что двигатель остыл, и поднимите капот. Для слива необходимо использовать емкость, в которой будет собираться вытекшая жидкость, а также защитные перчатки, чтобы избежать контакта с химическими веществами, которые могут попасть в систему охлаждения.

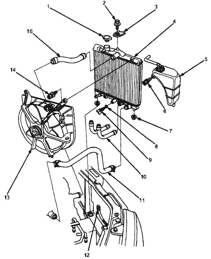
После того как подготовка завершена, следует открутить пробку радиатора, расположенную на передней части радиатора, и пробку сливного крана в нижней части радиатора. Убедитесь, что краник открыт полностью, чтобы жидкость могла свободно стекать. Если радиатор не имеет крана для слива, вам придется снять нижний патрубок для слива воды.

Важным моментом является то, чтобы не допустить попадания мусора в систему охлаждения, а также избегать загрязнения антифризом внешних частей двигателя. Как только процесс слива завершится, закройте все пробки и подключите систему охлаждения обратно. Не забудьте залить качественный антифриз, который подходит для вашего автомобиля.

Подготовка к сливу воды с радиатора Honda Partner

Подготовка к сливу воды с радиатора Honda Partner

Перед тем как приступить к сливу воды с радиатора Honda Partner, необходимо выполнить несколько подготовительных шагов для безопасности и эффективного выполнения работы.

1. Убедитесь, что двигатель остыл. Попытка слива жидкости с горячего радиатора может привести к ожогам, так как температура антифриза может быть очень высокой.

2. Подготовьте инструменты и материалы. Для слива воды с радиатора потребуется емкость для сбора жидкости, отвертка или ключ для снятия пробки с радиатора, а также тряпки или бумажные полотенца для удаления лишней жидкости.

3. Откройте капот и убедитесь, что у вас есть полный доступ к радиатору и сливной пробке. Для этого желательно отрегулировать положение радиатора или других элементов в моторном отсеке, если это необходимо.

4. Убедитесь, что в автомобиле выключен зажигание, и трансмиссия находится в нейтральном положении или в положении «паркинг» (если это автомат). Это предотвратит нежелательные движения автомобиля.

5. Оцените состояние антифриза. Если вы планируете замену жидкости, удостоверьтесь, что у вас есть нужный тип и количество антифриза для заливки после слива воды.

6. Подготовьте место для работы. Желательно использовать подстилку или защитный коврик для предотвращения загрязнения рабочего пространства антифризом, который может попасть на поверхность.

Как выбрать место для слива охлаждающей жидкости

При сливе охлаждающей жидкости с радиатора Honda Partner важно выбрать правильное место для обеспечения безопасности и минимизации загрязнения окружающей среды. Охлаждающая жидкость содержит вещества, которые могут быть опасны для здоровья и экологии, поэтому необходимо соблюдать осторожность при ее утилизации.

Рекомендуется проводить слив в специально подготовленное место, например, в емкость для сбора жидкости, которая должна быть герметичной. Это может быть пластиковая или металлическая тара с крышкой. Никогда не сливайте жидкость на землю или в канализацию, так как это может привести к загрязнению почвы и водоемов.

Выберите место, которое удобно для работы и позволяет контролировать процесс слива. Убедитесь, что оно хорошо освещено, чтобы избежать ошибок при манипуляциях с радиатором. Также стоит обратить внимание на наличие вентиляции в рабочем пространстве, чтобы избежать накопления паров антифриза.

Если сливать охлаждающую жидкость нужно в гараже или на частном участке, важно предусмотреть систему для безопасного сбора и утилизации. Многие сервисные станции и специализированные центры предлагают услуги по приему отработанных жидкостей, и их стоит использовать для утилизации.

Инструменты, необходимые для слива воды с радиатора

Инструменты, необходимые для слива воды с радиатора

Для слива воды с радиатора Honda Partner потребуется минимальный набор инструментов, однако важно использовать качественные и подходящие для этой задачи устройства.

Первым инструментом будет ключ для сливного болта радиатора. Обычно это обычный гаечный ключ, но в некоторых моделях может понадобиться более специфический инструмент в зависимости от конструкции болта. Размеры болта могут варьироваться, но часто используется ключ на 10-12 мм. Убедитесь, что ключ плотно фиксируется на болте, чтобы избежать повреждения резьбы.

Следующий необходимый инструмент – контейнер для сбора воды. Это может быть пластиковый или металлический таз, объем которого будет достаточен для сбора жидкости из системы охлаждения. Контейнер должен быть достаточно широким, чтобы предотвратить проливание воды, и устойчивым, чтобы избежать переворачивания в процессе слива.

Также рекомендуется использовать гибкую трубку или шланг. Это поможет аккуратно направить воду в контейнер, особенно если сливной болт находится в труднодоступном месте. Шланг также полезен, если требуется отводить жидкость на расстояние от автомобиля, чтобы избежать загрязнения поверхности.

Немаловажен и защитный контейнер для старой жидкости. Важно утилизировать охлаждающую жидкость правильно, поскольку она может содержать химикаты, опасные для окружающей среды. Для сбора использованной жидкости используйте герметичный контейнер, который легко закроется и предотвратит утечку.

Дополнительно полезным будет тряпка или ветошь для защиты поверхности двигателя и других частей автомобиля от случайных загрязнений при работе с радиатором.

Как найти сливной вентиль радиатора на Honda Partner

Как найти сливной вентиль радиатора на Honda Partner

Сливной вентиль радиатора на Honda Partner располагается в нижней части радиатора, с левой стороны, ближе к шлангу, который соединяет радиатор с мотором. Чтобы его найти, следуйте этим шагам:

1. Подготовка автомобиля: Прежде чем начать поиск вентиля, убедитесь, что двигатель холодный. Это предотвратит ожоги и другие травмы. Откройте капот и зафиксируйте его на специальной опоре.

2. Определение места расположения вентиля: Сливной вентиль имеет небольшую пластиковую или металлическую пробку, которая может быть оборудована отверстием для отвода жидкости. Обычно вентиль имеет форму винта или крыльчатки, с возможностью откручивания вручную или с использованием ключа.

3. Местоположение вентиля: Вентиль находится в самом низу радиатора с левой стороны, на уровне шланга, соединяющего радиатор с системой охлаждения. Это место легко обнаружить при визуальном осмотре радиатора, так как вентиль всегда размещен в самой нижней точке, что обеспечивает полный слив жидкости.

4. Открытие вентиля: Для слива антифриза необходимо аккуратно открутить вентиль по часовой стрелке, а затем дать жидкости стечь. Обычно процесс занимает несколько минут.

5. Порядок действий: Если вам трудно найти сливной вентиль, проверьте наличие дополнительного защитного пластика или грязи, которые могут скрывать его. В случае проблем с доступом или повреждением вентиля, рекомендуется обратиться к специалистам для дальнейшего обслуживания.

Пошаговая инструкция по сливу воды с радиатора

Для правильного слива воды с радиатора Honda Partner необходимо выполнить несколько простых шагов, которые гарантируют отсутствие протечек и повреждений системы охлаждения.

  1. Подготовка автомобиля
    • Остановите машину на ровной поверхности, включите стояночный тормоз.
    • Дождитесь остывания двигателя. Рабочая температура жидкости в системе охлаждения должна быть близка к комнатной.
  2. Подготовка к сливу
    • Приготовьте ёмкость для сбора жидкости (например, канистру или большую емкость).
    • Наденьте перчатки для защиты рук от горячей воды и химикатов.
  3. Отсоединение радиатора
    • Найдите пробку слива на радиаторе. Обычно она расположена в нижней части радиатора на одном из углов.
    • Подставьте ёмкость под радиатор, чтобы предотвратить разлив жидкости.
    • Открутите пробку слива. Позвольте воде свободно стекать в подготовленную ёмкость.
  4. Промывка системы (опционально)
    • Если требуется очистить систему от загрязнений, можно использовать промывку для радиаторов. Прокачайте её через систему охлаждения перед сливом основной жидкости.
    • Повторите процедуру слива воды после промывки.
  5. Закрытие пробки и завершение процедуры
    • После того как вода полностью сольется, закрутите пробку слива обратно на радиатор.
    • Проверьте систему на наличие утечек после проведения работ.

После завершения слива жидкости можно приступать к заливу нового антифриза или воды, если необходимо. Также рекомендуется периодически проверять состояние радиатора и системы охлаждения для предотвращения возможных проблем.

Проверка состояния охлаждающей жидкости после слива

Проверка состояния охлаждающей жидкости после слива

После слива охлаждающей жидкости из радиатора Honda Partner важно внимательно осмотреть её состояние. Жидкость должна быть прозрачной, без осадка и крупных частиц. Если в охлаждающей жидкости наблюдаются мутные следы, частицы ржавчины или масляные пятна, это может свидетельствовать о наличии коррозии в системе или повреждении прокладки головки блока цилиндров.

Один из признаков, на который стоит обратить внимание, – это цвет охлаждающей жидкости. Обычные жидкости зеленого или синего цвета со временем могут приобрести темный оттенок, что свидетельствует о загрязнении или старении. Важно отметить, что жидкость, содержащая следы масла, указывает на утечку масла в систему охлаждения, что требует немедленного устранения проблемы.

Для более точной диагностики рекомендуется провести визуальный осмотр радиатора на предмет следов ржавчины или повреждений. Если охлаждающая жидкость имеет запах подгорания, это может быть признаком перегрева двигателя или использования жидкости низкого качества.

После слива жидкости и её проверки, если она не соответствует нормам, следует выполнить промывку системы охлаждения. Это поможет избежать повторных загрязнений и восстановить эффективность работы радиатора и всей системы охлаждения.

Как правильно утилизировать слитую охлаждающую жидкость

Как правильно утилизировать слитую охлаждающую жидкость

Для правильной утилизации слитой охлаждающей жидкости следуйте этим рекомендациям:

  • Не выливайте жидкость в канализацию или на землю. Охлаждающая жидкость загрязняет водоемы и почву, нарушая экосистему и угрожая водным ресурсам.
  • Используйте специализированные контейнеры. После слива охлаждающей жидкости храните её в герметичной емкости с четкой маркировкой. Для этого подойдут пластиковые канистры с крышками, предназначенные для хранения химических веществ.
  • Обратитесь в сервисные центры или пункты утилизации. Множество автосервисов и специализированных пунктов приема отходов принимают охлаждающие жидкости для утилизации. Уточните у местных организаций, где можно безопасно сдать использованную жидкость.
  • Проверьте законность утилизации. В некоторых регионах существует нормативно-правовая база, регламентирующая способы утилизации таких отходов. Убедитесь, что выбранный вами метод соответствует местным экологическим требованиям.
  • Не смешивайте охлаждающую жидкость с другими химическими отходами. Это может привести к химической реакции, которая сделает переработку или утилизацию более сложной и опасной.

В правильной утилизации охлаждающей жидкости заключается не только соблюдение экологических норм, но и сохранение безопасности людей и животных, которые могут пострадать от загрязнения.

Рекомендации по заполнению радиатора после слива воды

Рекомендации по заполнению радиатора после слива воды

После слива воды из радиатора Honda Partner необходимо выполнить несколько шагов для правильного заполнения системы охлаждения антифризом. Этот процесс помогает избежать перегрева двигателя и повреждений, связанных с недостаточной циркуляцией жидкости.

1. Очистка системы. Перед заполнением рекомендуется промыть систему охлаждения. Используйте специализированные промывочные жидкости для удаления остатков старого антифриза и возможных отложений, которые могут привести к засорению радиатора или каналов двигателя.

2. Выбор антифриза. Для Honda Partner используется антифриз, соответствующий стандартам оригинального производителя. Обычно это жидкость на основе этиленгликоля с добавлением антикоррозийных и антифризных присадок. Убедитесь, что антифриз подходит для вашего региона, учитывая его температурные характеристики.

3. Наполнение системы. Наполняйте радиатор до верхней отметки, используя антифриз через заливную горловину. Лучше всего это делать в несколько этапов, чтобы избежать образования воздушных пробок. После каждого этапа аккуратно проверяйте уровень жидкости и при необходимости доливайте.

4. Удаление воздушных пробок. Важно полностью удалить воздух из системы. Для этого заведите двигатель и дайте ему поработать на холостых оборотах, периодически проверяя уровень жидкости. Откройте крышку радиатора или резервуара для расширения и аккуратно следите за выходом пузырьков воздуха.

5. Проверка герметичности. После заполнения системы антифризом убедитесь, что все соединения радиатора и шлангов герметичны. Проверьте на наличие утечек, особенно в местах соединений с насосом и трубопроводами. При обнаружении утечек, замените поврежденные компоненты.

6. Заводка двигателя и контроль. После заполнения системы и удаления воздушных пробок заведите двигатель и прогрейте его до рабочей температуры. Во время прогрева следите за показателями температуры на приборной панели. Это позволит убедиться, что система охлаждения функционирует правильно.

Вопрос-ответ:

Как правильно слить воду с радиатора Honda Partner?

Чтобы правильно слить воду с радиатора на Honda Partner, нужно выполнить несколько шагов. Для начала откройте капот и найдите сливной кран радиатора, который обычно находится в нижней части радиатора. Поставьте под кран ёмкость для сбора жидкости. Затем ослабьте кран и дайте жидкости стечь. После этого закройте сливной кран и проверьте уровень охлаждающей жидкости в системе.

Какие инструменты могут понадобиться для слива воды с радиатора Honda Partner?

Для слива воды с радиатора Honda Partner потребуется минимальный набор инструментов: ёмкость для сбора жидкости (например, тазик), отвертка или гаечный ключ для ослабления слива и, возможно, перчатки для защиты рук от загрязнений. Важно также использовать защитные очки, если будете работать вблизи горячих частей двигателя.

Что делать, если сливной кран радиатора заблокирован или застрял?

Если сливной кран заблокирован, попробуйте аккуратно его ослабить с помощью гаечного ключа. Иногда кран может закиснуть из-за коррозии или остатков жидкости. В таком случае можно применить проникающее масло, например, WD-40, чтобы облегчить процесс. Не применяйте чрезмерную силу, чтобы не повредить кран. В крайнем случае, можно обратиться к мастеру.

Можно ли слить воду с радиатора Honda Partner, если автомобиль стоит на поверхности с уклоном?

Не рекомендуется сливать воду с радиатора на автомобиле, стоящем на уклонной поверхности, так как это может затруднить нормальный сток жидкости. Лучше поставить машину на ровную поверхность, чтобы жидкость могла стечь полностью и без препятствий.

После слива воды с радиатора Honda Partner, нужно ли промывать систему охлаждения?

После слива воды с радиатора и замены охлаждающей жидкости рекомендуется промыть систему охлаждения. Это помогает удалить остатки старой жидкости и загрязнений. Для этого можно использовать специальное средство для промывки радиаторов или просто прогнать систему водой, а затем слить её до чистоты. После промывки заправьте систему новой охлаждающей жидкостью.

Как правильно слить воду с радиатора Honda Partner?

Для слива воды с радиатора Honda Partner необходимо выполнить несколько шагов. Во-первых, важно убедиться, что двигатель остыл, чтобы избежать ожогов. Затем откройте капот и найдите кран слива на нижней части радиатора. Откручивайте его постепенно, чтобы вода могла стечь без повреждений. Убедитесь, что емкость для сбора жидкости находится рядом, чтобы избежать загрязнения. После слива воды, можно закрыть кран и проверить систему на наличие протечек перед заливом нового антифриза.

Что делать, если при сливе воды с радиатора Honda Partner возникает утечка?

Если при сливе воды с радиатора Honda Partner обнаружена утечка, важно сразу же прекратить слив и проверить, не поврежден ли кран слива или сам радиатор. Утечка может быть признаком повреждения или износа деталей. В этом случае рекомендуется заменить поврежденные элементы или обратиться в сервис для диагностики. Не стоит продолжать работу с утечкой, так как это может привести к дополнительным повреждениям системы охлаждения.

Ссылка на основную публикацию