Как разобрать мотоблока suzuki

Как разобрать мотоблока suzuki

Мотоблоки Suzuki, оснащённые четырёхтактными двигателями небольшой мощности (в пределах 6–8 л.с.), отличаются высокой надёжностью. Однако при интенсивной эксплуатации рано или поздно возникает необходимость в техническом обслуживании с полной разборкой агрегата. Правильная последовательность действий и точное соблюдение этапов критичны для сохранения ресурса узлов и повторной сборки без нарушений.

Перед началом работ необходимо отключить свечу зажигания и полностью слить масло из двигателя и редуктора. Демонтируйте навесное оборудование и тщательно очистите поверхность корпуса от грязи. Особое внимание следует уделить соединениям: наличие застарелых отложений может затруднить откручивание болтов. Используйте керосин или универсальную смазку WD-40.

Разборка начинается с демонтажа руля и тросов управления. Далее откручивается защитный кожух двигателя и снимается топливный бак. На этом этапе удобно проверить состояние хомутов, патрубков и топливного фильтра. Следующим шагом следует снять стартер, карбюратор и глушитель. Все мелкие элементы (прокладки, шайбы) укладывайте по порядку, чтобы избежать путаницы при сборке.

Основной узел – редуктор мотоблока – разбирается после отсоединения полуосей. Перед вскрытием корпуса следует зафиксировать его в тисках и аккуратно открутить все крепёжные элементы. Внутри необходимо осмотреть шестерни на наличие износа, особенно ведущую и ведомую. При износе зубьев более чем на 30% рекомендуется замена, а не реставрация. Также проверьте состояние подшипников и сальников: даже небольшая выработка может привести к утечке масла.

Каждый шаг должен сопровождаться визуальной фиксацией (фото или видеосъёмка), особенно если ранее вы не сталкивались с данным типом мотоблока. При повторной сборке это позволит избежать ошибок и обеспечит точную установку элементов в соответствии с заводской компоновкой.

Подготовка инструмента и рабочей зоны для разборки мотоблока Suzuki

Подготовка инструмента и рабочей зоны для разборки мотоблока Suzuki

Перед началом разборки мотоблока Suzuki необходимо обеспечить доступ к специализированному инструменту и организовать рабочую зону таким образом, чтобы исключить потерю мелких деталей и упростить сборку.

  • Выберите помещение с твёрдым полом, хорошим освещением и доступом к электросети. Температура должна быть не ниже +10°C для предотвращения хрупкости пластика и резины.
  • Очистите мотоблок от грязи и остатков масла. Используйте щётку с жёсткой щетиной и обезжириватель. Загрязнение усложняет демонтаж и может повредить резьбовые соединения.
  • Установите мотоблок на противоскользящий поддон или верстак с фиксирующими упорами. Это предотвратит его смещение во время работы.

Подготовьте инструмент, обеспечив его исправность и наличие всех необходимых позиций:

  1. Набор торцевых ключей от 8 до 22 мм, в том числе длинные головки для труднодоступных соединений.
  2. Отвёртки с прямым и крестообразным шлицем длиной не менее 150 мм.
  3. Шестигранные ключи (включая 4, 5, 6 мм), желательно с шаровой головкой.
  4. Плоскогубцы и пассатижи с тонкими губками.
  5. Съёмник для подшипников и шкивов, если предусмотрено крепление через шпонки.
  6. Малый резиновый молоток для демонтажа без повреждений.
  7. Магнитный поднос для метизов и маркировочные стикеры для узлов.
  8. Керн и молоток для фиксации позиций деталей перед снятием.
  9. Набор щупов для фиксации зазоров при повторной сборке.

Рядом разместите ветошь, ёмкость для слива масла и техническую документацию мотоблока. Убедитесь в наличии перчаток с нескользящей поверхностью и защитных очков. Организация зоны и наличие нужного инструмента позволяет исключить повреждение компонентов и ускоряет процесс разборки.

Как безопасно отключить топливную систему перед началом работ

Как безопасно отключить топливную систему перед началом работ

Перед началом разборки мотоблока Suzuki необходимо полностью исключить вероятность утечки топлива. В первую очередь заглушите двигатель и убедитесь, что он полностью остыл – температура поверхности не должна превышать 30 °C.

Перекройте топливный кран, расположенный на выходе из бензобака. Если кран отсутствует, зажмите топливопровод хомутом или пластиковым зажимом вблизи штуцера. Используйте только устойчивые к бензину материалы, чтобы избежать повреждения шланга.

Откройте сливной болт на карбюраторе, подставив под него металлическую ёмкость объёмом не менее 200 мл. Не используйте пластиковую тару – пары топлива могут её деформировать. После полного слива топлива из поплавковой камеры затяните болт обратно.

Отсоедините топливный шланг от карбюратора. При этом удерживайте его над заранее подготовленной тряпкой, чтобы собрать остатки бензина. Протрите все соединения чистой ветошью. Осмотрите шланг на наличие микротрещин – при необходимости замените.

Храните слитое топливо в герметичной ёмкости вдали от источников огня. Перед дальнейшими действиями убедитесь в отсутствии запаха бензина в рабочей зоне.

Снятие защитных кожухов и внешних панелей мотоблока

Снятие защитных кожухов и внешних панелей мотоблока

Перед началом отключите свечу зажигания, чтобы исключить случайный запуск двигателя. Убедитесь, что мотоблок остыл, особенно в области глушителя и цилиндра.

Сначала снимите верхний кожух двигателя. Он крепится на четыре болта с головкой на 10 мм. Используйте трещотку с удлинителем для удобства. Сначала ослабьте болты крест-накрест, затем выкрутите полностью. Поднимите кожух вверх и отведите назад – он может зацепляться за патрубки или кронштейны.

Боковые панели, закрывающие карбюратор и систему охлаждения, крепятся на саморезы или винты под крестовую отвертку. Некоторые модели Suzuki имеют резьбовые втулки в пластиковых элементах – не применяйте чрезмерную силу, чтобы не провернуть втулку.

Снятие переднего кожуха (если имеется) требует отсоединения фары и проводки. Отсоедините клеммы, зафиксировав их маркировкой для последующей сборки. Крепления – чаще всего гайки М6 или пластиковые фиксаторы. При демонтаже не тяните кожух – проверьте, нет ли скрытых защелок.

Рекомендация: Складывайте крепеж отдельно по каждому элементу, используя маркировку – это ускорит обратную сборку и исключит ошибки.

Внимание: Некоторые панели могут иметь направляющие штифты – перед снятием убедитесь, что все крепления удалены, и аккуратно потяните элемент по направлению демонтажа.

Разборка двигателя: демонтаж цилиндра, поршня и клапанов

Разборка двигателя: демонтаж цилиндра, поршня и клапанов

Сначала снимите головку блока цилиндров. Открутите крепёжные болты в шахматном порядке, избегая перекоса. Приподнимите головку, поддев равномерно с обеих сторон. Не повредите прокладку, если планируется её повторное использование.

После снятия головки проверьте состояние клапанов. Извлеките коромысла и штанги. Используйте съёмник для пружин клапанов, чтобы снять сухари, затем аккуратно демонтируйте пружины и направляющие. Осмотрите фаски клапанов и седла на наличие выработки или пригаров. При необходимости выполните притирку.

Для демонтажа цилиндра открутите крепёжные болты и аккуратно стяните цилиндр вверх. Если он прикипел, используйте деревянный брусок и лёгкие постукивания по основанию. Не допускайте перекосов. Проверьте зеркало цилиндра на наличие задиров и овальности.

Извлеките поршень вместе с шатуном через верх. Снимите стопорные кольца с поршневого пальца, аккуратно выдавите палец и отделите поршень от шатуна. Осмотрите поршневые кольца, замеры зазоров производятся щупом в цилиндре. Особое внимание уделите канавкам под кольца – наличие нагара или износа недопустимо.

При разборке соблюдайте маркировку деталей, чтобы при сборке вернуть их на прежние места. Все уплотнительные элементы подлежат замене. Промойте детали керосином или бензином, избегая агрессивных растворителей для алюминиевых компонентов.

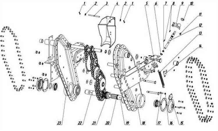
Как разобрать трансмиссию и редуктор мотоблока Suzuki

Как разобрать трансмиссию и редуктор мотоблока Suzuki

Перед началом разборки трансмиссии необходимо полностью слить масло из редуктора. Открутите сливную пробку в нижней части корпуса и дождитесь полного выхода смазки. Закрутите пробку обратно, чтобы исключить попадание грязи внутрь.

Снимите шкив привода. Зафиксируйте вал, используя деревянный брус или специальный фиксатор, чтобы избежать его проворачивания. Ослабьте стопорный болт и аккуратно стяните шкив с вала. При необходимости используйте съемник, избегая ударов по корпусу.

Демонтируйте защитный кожух трансмиссии, открутив все болты по периметру. Отсоедините сцепление и приводные тяги, пометив их положение для последующей сборки. Отсоедините тросики переключения скоростей и вал реверса, если он предусмотрен в модели.

Разъедините половинки корпуса редуктора, предварительно ослабив болты крепления. Работайте равномерно по кругу, избегая перекосов. Внутри аккуратно извлеките ведомую и ведущую шестерни, зафиксировав порядок их установки. Обратите внимание на расположение уплотнительных колец и регулировочных шайб – они обеспечивают нужный зазор в зацеплении.

Снимите вал трансмиссии с установленными подшипниками. Проверьте наличие износа на посадочных местах, шестернях и зубьях. Изношенные детали подлежат обязательной замене. Не допускается повторное использование прокладок между половинками корпуса – при сборке необходимо установить новые.

После полной разборки очистите все детали от остатков масла и загрязнений, используя керосин или очиститель карбюратора. Проверка каждого элемента на люфт, задиры и трещины обязательна перед дальнейшей сборкой.

Отсоединение системы управления: тросы, ручки, проводка

Перед разборкой системы управления мотоблока Suzuki необходимо обеспечить безопасный доступ к всем её элементам и отключить питание для предотвращения короткого замыкания.

1. Отсоединение тросов управления:

  • Освободите мотоблок от любых препятствий и установите его на устойчивую поверхность.
  • Начните с отсоединения троса газа. Для этого найдите его крепление на карбюраторе и ослабьте фиксирующий винт.
  • После этого аккуратно снимите трос с ролика и отсоедините от ручки управления, также ослабив винт фиксации.
  • Повторите аналогичную процедуру для троса сцепления или других управляемых элементов, если они присутствуют. Всегда фиксируйте тросы таким образом, чтобы они не повреждались при дальнейших операциях.

2. Отсоединение ручек управления:

  • Открутите крепежные болты, которые удерживают ручки управления на рулевой колонке.
  • Если ручки имеют дополнительные крепления или фиксирующие элементы, аккуратно их снимите, чтобы избежать повреждения пластиковых частей.
  • Снимите все трубки и тросы, которые могут быть соединены с ручками, проверяя каждый элемент на наличие повреждений.

3. Отсоединение проводки:

  • Перед отсоединением проводки отключите аккумулятор, если он установлен, чтобы избежать короткого замыкания.
  • Найдите разъемы проводки, которые соединяют элементы управления (например, световые приборы, сигналы) с основной системой мотоблока.
  • Аккуратно отсоедините разъемы, не повреждая контактные места. Используйте инструменты для лёгкого снятия проводов с разъемов, если это необходимо.
  • Не забывайте пометить или запомнить расположение проводки, чтобы при сборке системы все элементы подключались правильно.

После отсоединения всех компонентов, убедитесь, что они не повреждены и готовы к повторному использованию или замене. Все работы проводите внимательно, не спешите, чтобы избежать повреждения мелких деталей или разъемов.

Очистка, сортировка и маркировка деталей после разборки

После разборки мотоблока Suzuki важно тщательно очистить все детали от загрязнений, масла и остатков смазочных жидкостей. Для этого используйте очиститель карбюраторов или специальное средство для удаления масла. Важно избегать использования агрессивных химикатов, которые могут повредить детали, особенно пластиковые элементы. Рекомендуется очищать металлические компоненты с помощью мягкой щетки и моющего средства, а затем тщательно протереть их сухой тканью.

После очистки все детали следует тщательно осмотреть. Поврежденные или изношенные компоненты должны быть заменены. Проверьте на наличие трещин, вмятин, коррозии и других дефектов, которые могут повлиять на работоспособность мотоблока в дальнейшем. Отметьте эти детали с помощью маркера или яркой ленты, чтобы исключить их из дальнейшего использования.

Для удобства сборки и избежания путаницы, важно сортировать детали по группам. Разделите их на следующие категории: крепежные элементы (болты, гайки, шайбы), движущиеся части (шестерни, ремни), уплотнительные материалы (сальники, прокладки), а также другие мелкие детали, такие как фильтры или подшипники. Это позволит ускорить сборку и упростит поиск нужных компонентов в процессе работы.

Не забывайте маркировать каждую деталь, особенно если она принадлежит к определенному узлу. Для этого можно использовать метки с номерами, буквами или просто наклеивать небольшие стикеры. Сохраняйте оригинальные упаковки для новых запчастей и деталей, чтобы избежать путаницы и потери мелких элементов при дальнейшем монтаже.

Вопрос-ответ:

Как разобрать мотоблок Suzuki самостоятельно?

Разборка мотоблока Suzuki требует внимательности и правильной последовательности действий. Начать нужно с отключения двигателя от топливной системы и аккумулятора. Затем можно приступать к снятию крышек и разборке трансмиссии, если требуется. Важно иметь под рукой инструкцию по эксплуатации и, по возможности, видеоуроки для наглядности. Для успешной разборки рекомендуется использовать качественные инструменты и соблюдать осторожность, чтобы не повредить детали мотоблока.

Как правильно снять двигатель с мотоблока Suzuki?

Для снятия двигателя с мотоблока Suzuki необходимо выполнить несколько шагов. Во-первых, отключите топливный шланг и отсоедините проводку от аккумулятора. Затем нужно ослабить крепежные болты, которые фиксируют двигатель на раме. Когда все болты будут сняты, аккуратно поднимите двигатель с мотоблока, придерживая его, чтобы избежать повреждений.

Что делать, если не получается снять трансмиссию с мотоблока Suzuki?

Если трансмиссия не поддается разборке, это может быть связано с застрявшими деталями или недостаточным ослаблением крепежных болтов. Попробуйте еще раз ослабить все соединения, проверьте наличие скрытых креплений. Иногда трансмиссия может быть зафиксирована из-за ржавчины или загрязнений, поэтому полезно использовать проникающие смазочные жидкости. В случае продолжающихся проблем лучше обратиться к специалисту, чтобы избежать повреждения деталей.

Какую смазку использовать при сборке мотоблока Suzuki после разборки?

После разборки мотоблока Suzuki для его сборки нужно использовать смазочные материалы, соответствующие типу двигателя и трансмиссии. Для двигателя лучше применять масла, рекомендованные производителем, а для механизмов, таких как трансмиссия, могут подойти специализированные трансмиссионные жидкости или масла с хорошими противозадирными характеристиками. Обязательно соблюдайте рекомендации из инструкции по эксплуатации, чтобы не нарушить работу мотоблока.

Какие инструменты понадобятся для разборки мотоблока Suzuki?

Для разборки мотоблока Suzuki вам потребуются стандартные инструменты, такие как ключи разных размеров, отвертки, головки и динамометрический ключ для затяжки болтов. Также полезными будут съемники для снятия колес и других деталей, а также смазочные жидкости для облегчения демонтажа зажатых или ржавых элементов. Перед началом разборки убедитесь, что у вас есть весь необходимый инструментарий, чтобы избежать перебоев в процессе работы.

Как правильно разобрать мотоблок Suzuki для диагностики и ремонта?

Разборка мотоблока Suzuki начинается с отключения зажигания и слива топлива. Затем нужно открутить корпус воздушного фильтра и демонтировать защитные кожухи. Важно аккуратно снимать все элементы, чтобы избежать повреждений. После этого можно приступить к осмотру мотора, проверке состояния свечей, топливной системы и системы охлаждения. Не забывайте фиксировать каждый шаг, чтобы потом собрать мотоблок правильно.

Какие детали мотоблока Suzuki чаще всего требуют замены во время разборки?

Наиболее часто требующие замены детали мотоблока Suzuki — это воздушный фильтр, свечи зажигания, топливные шланги и ремни. Также нужно проверять состояние подшипников и сальников, которые со временем изнашиваются. Если мотоблок используется интенсивно, следует также обратить внимание на систему сцепления и коробку передач, так как эти элементы могут изнашиваться быстрее других.

Ссылка на основную публикацию